User memory space accessing
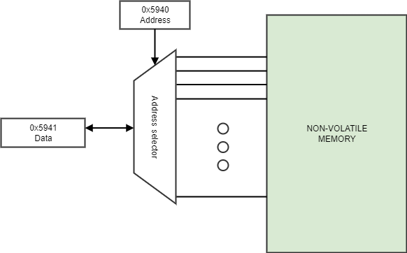
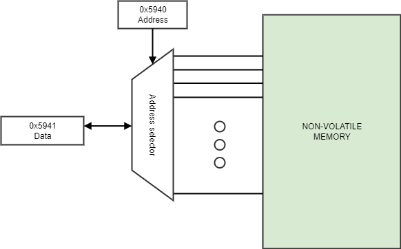
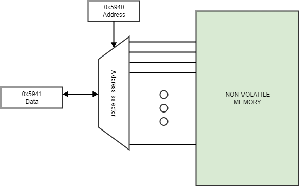
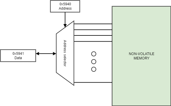
The drive implements a 8Kbit of non-volatile memory, available for the user. This memory space can be accessed by means of two registers (0x5940 and 0x5941).
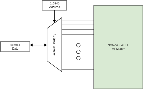
This is the architecture of the memory user interface:
The address register (0x5940) is used to indicate on which address of the non-volatile memory the operation will be executed. The data register contains the stored data on the indicated position, updated when an SDO read is performed to register 0x5941. When this register is written, the drive executes an NVM write operation, so the memory content is updated with the register content.
Each memory data entry contains 32 bits of data.
Procedure to read the memory
Write to the register 0x5940 the address to be read.
Read the register 0x5941.
Procedure to write to the memory
Write to the register 0x5940 the address to be read.
Write to the register 0x5941 the new data for that address.
It is not possible to access all the memory content in only one operation, the read (or write) procedure must be repeated for each memory entry independently.
This feature is not available in Everest drives (Part numbers starting in EVE).
