Communications
The Everest XCR provides the following network communication interfaces for configuration and operation.
| Part number | Communication Option | J4 connector (ECAT 0) functionality | J3 connector (ECAT 1) functionality | J2 (I/O) connector pins 9, 11 | 
|---|---|---|---|---|
| EVE-XCR-C | EtherNET standard port (default address 192.168.2.22). Allows configuration and tuning using MotionLab 3. | EtherNET standard port (default address 192.168.2.22). Allows configuration and tuning using MotionLab 3. | CANopen interface CAN_H and CAN_L. | |
| EVE-XCR-E | EtherCAT INPUT port 0. MotionLab 3 can be accessed via Beckhoff Twincat tool from a PC. | EtherCAT OUTPUT port 1 | Not used. | 
EVE-XCR-C (CANopen & Ethernet Interface)
Everest XCR Servo Drive supports the CANopen interface, a multi-terminal communication protocol based on CAN (Controller Area Network) bus. J4 connector ETH Port 0 and J3 connector ETH Port 1 could be used with a standard Ethernet port for configuration. The Everest XCR CAN interface is not isolated. If your computer has no Ethernet port, you can use an Ethernet - USB adapter, like TeckNet HU043.
It is possible to control a servo drive from a CAN Master or from a computer with a CAN transceiver. Some USB to CAN transceivers that work with Everest XCR are indicated here: Kvaser Leaf SemiPro HS (EAN: 73-30130-00242-5), Kvaser Leaf Professional Rugged HS (EAN: 73-30130-00509-9), Peak Systems PCAN-USB (IPEH-002021), Peak Systems PCAN-USB opto-decoupled (IPEH-002022). Always ensure to have the drivers installed prior to connection.
An example of the required wiring for the CANopen interface is shown in the next figure.
CAN wiring recommendations
- Build CAN network using cables with 2-pairs of twisted wires (2 wires/pair) as follows: one pair for CAN_H with CAN_L and the other pair for GND.
- Do not make a 2 wire only interface. Not connecting the CAN GND may result in loss of data and poor EMC performance.
- Cable impedance should have an impedance of 100 to 140 Ω (120 Ω typical) and a capacitance below 30 pF/meter.
- Whenever possible, use bus links between the CAN nodes. Avoid using stubs (a "T" connection, where a derivation is taken from the main bus). If stubs cannot be avoided, keep them as short as possible. For maximum speed (1 Mbps), use a stub length lower than 0.3 meters.
- For a total CAN bus length over 40 meters, it is mandatory to use shielded twisted cables. Connect the cable shield to protective earth at both ends. Ensure that the cable shield is connected to the connector shield, as the connection to host protective earth is usually soldered inside the connector.
Drive ID
When installing CANopen communication, ensure that each servo drive is allocated a unique ID. Otherwise, CANopen network may hang.
Lors de l'installation de la communication CANopen, assurez-vous que chaque servomoteur se voit attribuer un identifiant unique. Sinon, le réseau CANopen risque de se bloquer.
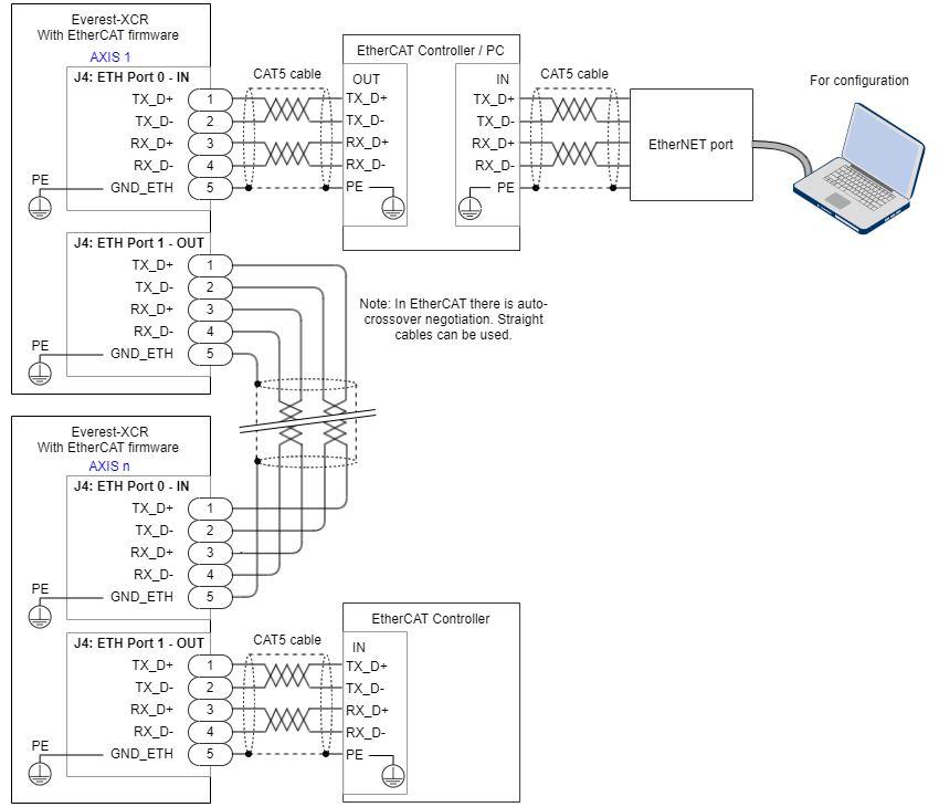
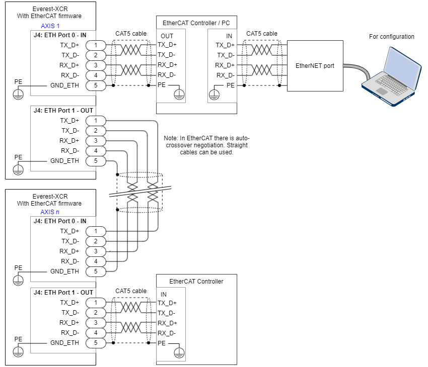
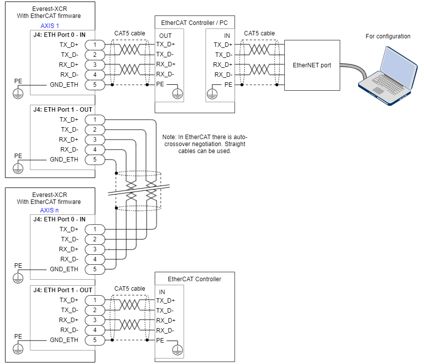
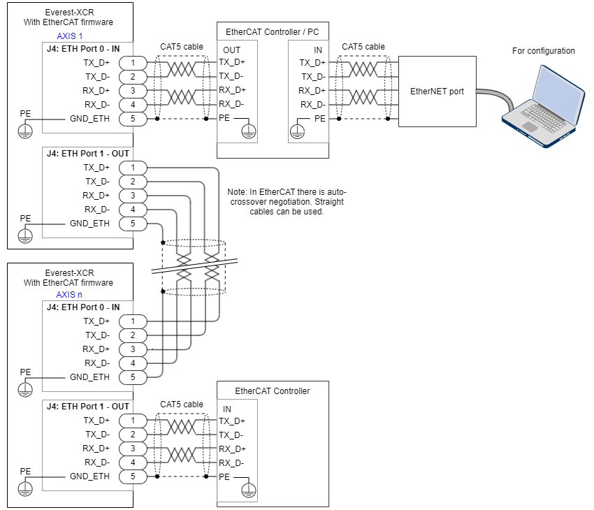
EVE-XCR-E (EtherCAT Interface)
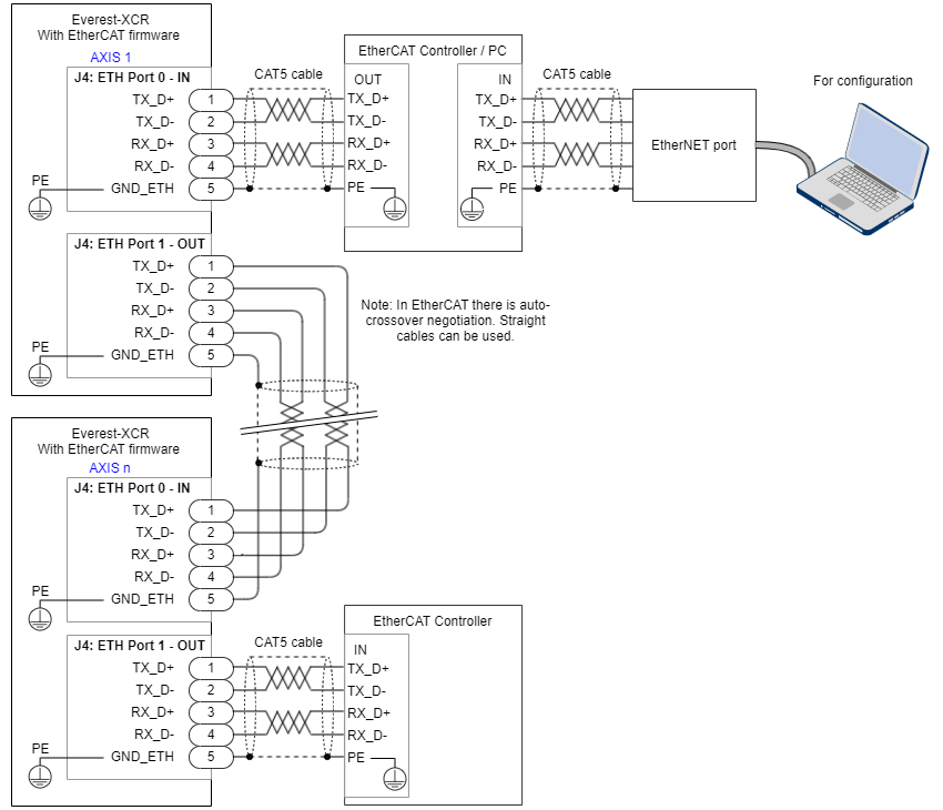
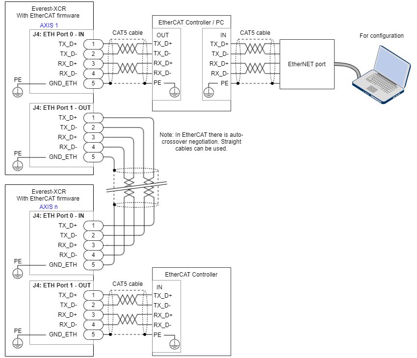
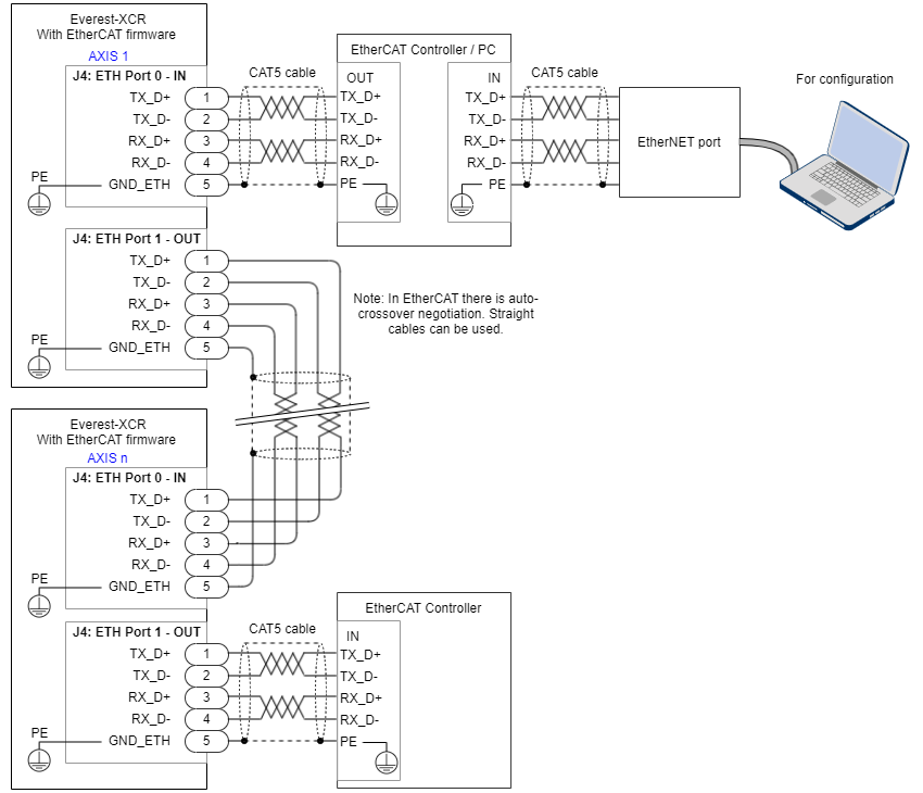
Everest XCR Servo Drive provides access to the EtherCAT field bus system. EtherCAT is an isolated bus suitable for hard and soft real-time requirements in automation technology, test and measurement, and many other applications. The drive can be accessed and configured using any EtherCAT master over EtherCAT connecting the PC to the port 0 (in).
The next figure shows how to connect the Everest XCR in an EtherCAT bus. It is recommended to follow the standard IEC 61918-2013 for best practices.
Recommended EtherCAT cables and connectors
| Signal | Function | Corresponding pin on Everest XCR | Pin for RJ45 | M12-4 D coded | M8-4 D coded | Cable colour as per TIA-568B | Cable colour as per EN61918 | 
|---|---|---|---|---|---|---|---|
| TX_D+ | Transmit data + | 1 | 1 | 1 | 1 | White / Orange | Yellow | 
| TX_D- | Transmit data - | 2 | 2 | 3 | 4 | Orange | Orange | 
| RX_D+ | Receive data + | 3 | 3 | 2 | 2 | White / Green | White | 
| RX_D- | Receive data - | 4 | 6 | 4 | 3 | Green | Blue | 
| - | Not used, leave these wires unconnected. | - | 4 | - | - | Blue | |
| - | - | 5 | - | - | White / Blue | ||
| - | - | 7 | - | - | White / Brown | ||
| - | - | 6 | - | - | Brown | ||
| Screen | Screening | 5 | Housing | Housing | Housing | Metal | Metal | 
| Image of the connector | 
 | 
 | |||||
Ethernet over EtherCAT (EoE) Protocol - Used by Motion Lab 3
Everest XCR Servo Drive supports Ethernet over EtherCAT protocol. This protocol encapsulates Ethernet frames into EtherCAT packets allowing to establish a communication between standard Ethernet clients and EtherCAT devices over an EtherCAT network in a transparent way.
Thanks to this protocol is possible to configure a specific Everest XCR of the network using Motion Lab without requiring to modify the wiring of the installation.
The next figure shows how to connect the Everest XCR in an EtherCAT bus and how to establish communication with MotionLab 3 to configure the drive. EtherCAT controller/master needs to provide EoE capability and include two different Network Interfaces Cards (NIC). If your computer has no Ethernet port, you can use an Ethernet - USB adapter, like TeckNet HU043.
It is also possible to install Motion Lab 3 and EtherCAT Controller (i.e. Beckhoff TwinCAT) in the same PC reducing the number of needed NIC.
EoE and TwinCAT
You can find more information on how to configure EoE on Beckhoff TwinCAT in the following link: https://novantamotion.atlassian.net/wiki/spaces/SS/pages/54495008.
 
                                    



