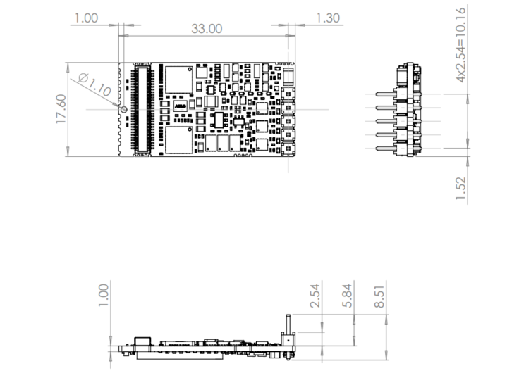
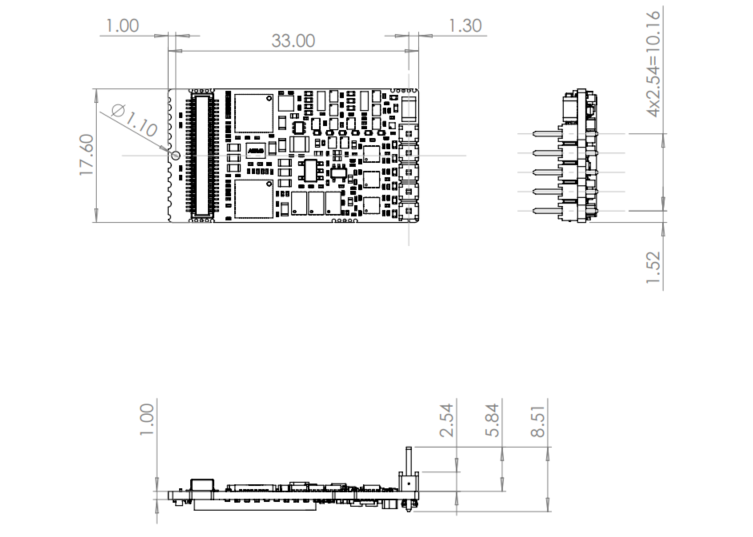
Dimensions
All dimensions are in mm. All tolerances ≤ ±0.2 mm
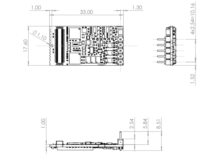
3D Model
For further detail, download the STEP model from the Downloads section.

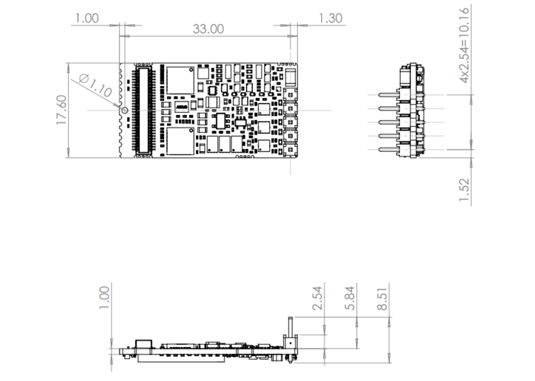
All dimensions are in mm. All tolerances ≤ ±0.2 mm
For further detail, download the STEP model from the Downloads section.
