Skip to main content
Skip table of contents

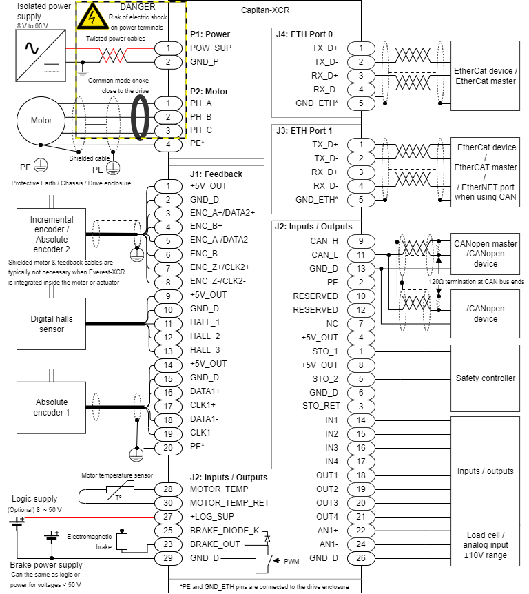
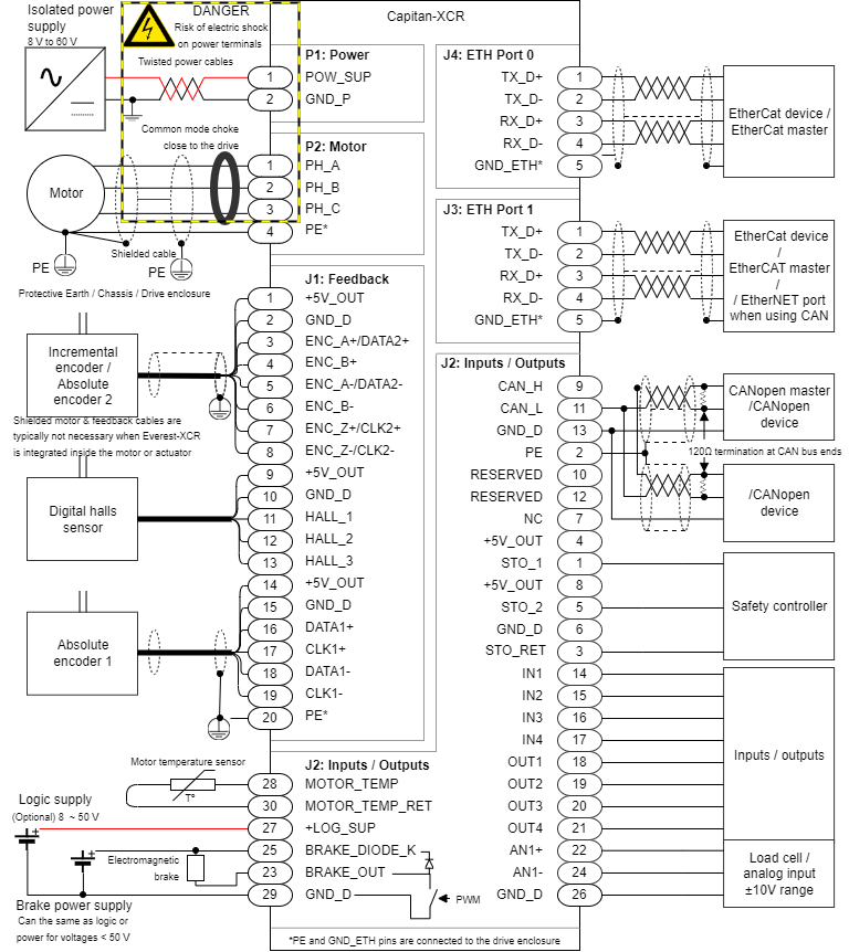
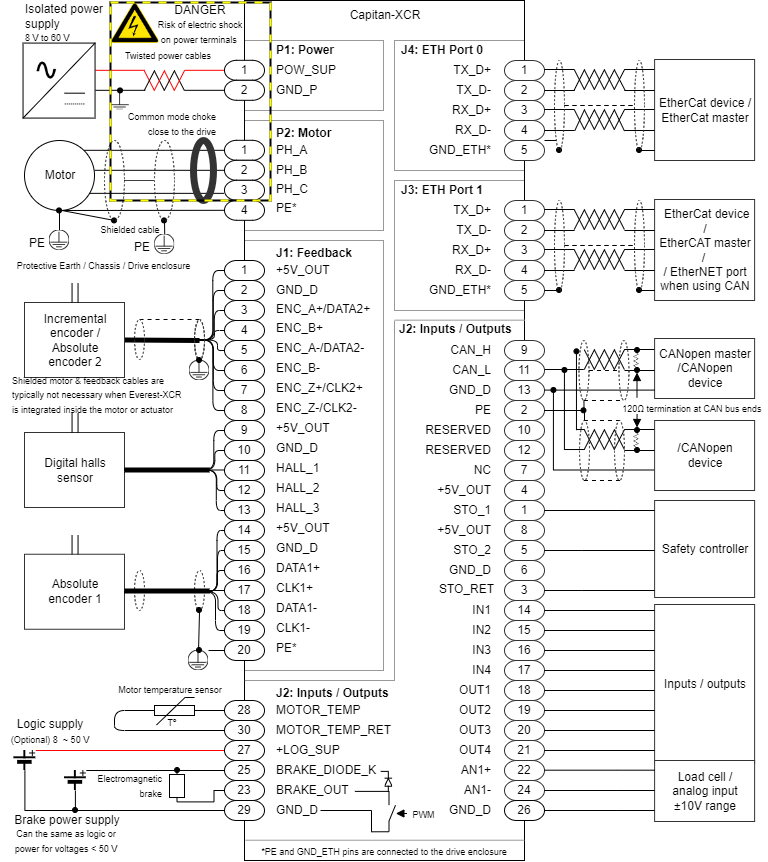
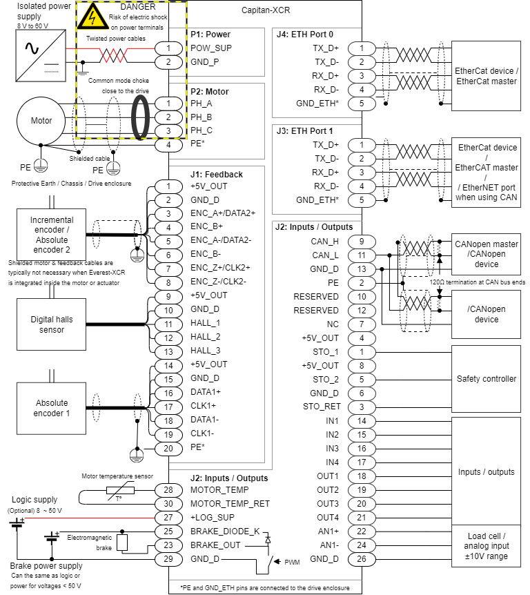
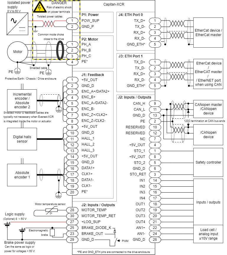
Wiring and Connections

Capitan XCR Connection Diagram

Detailed wiring diagram for each module:

JavaScript errors detected

Please note, these errors can depend on your browser setup.

If this problem persists, please contact our support.